Режим работы магазина:
Пн-Пт: 9:00-18:00 Сб: 9:00-16:00 Вс: выходной

Заказы онлайн круглосуточно

Каталог
Избранное 0

Комплект Geberit Duofix 458.128.21.1 для подвесного унитаза, 112 см, со смывным бачком скрытого монтажа Delta 12 см, смывная клавиша Delta51 (хром) Комплект Geberit Duofix 458.128.21.1 для подвесного унитаза, 112 см, со смывным бачком скрытого монтажа Delta 12 см, смывная клавиша Delta51 (хром) Казань 28000.00 {old_price} Geberit

Артикул: 458.128.21.1
Код товара: 1​0​0​6​7​2​6

Коротко о товаре

  • Монтаж:
    в стену
  • Страна:
    Швейцария che
  • Назначение:
    для унитаза
  • Высота, см:
    132
  • Ширина, см:
    50
  • Глубина, см:
    12
Подробнее
28000.00 руб
0.00 руб

Нет на складе

Нет на складе
В наличии
Прямо сейчас 15 человек смотрит товар

Доставим за 1-2 дня

по Москве и Московской области

Отправим транспортной компанией

Доставим до любой транспортной компании. Отправим товар в любую точку России

Описание

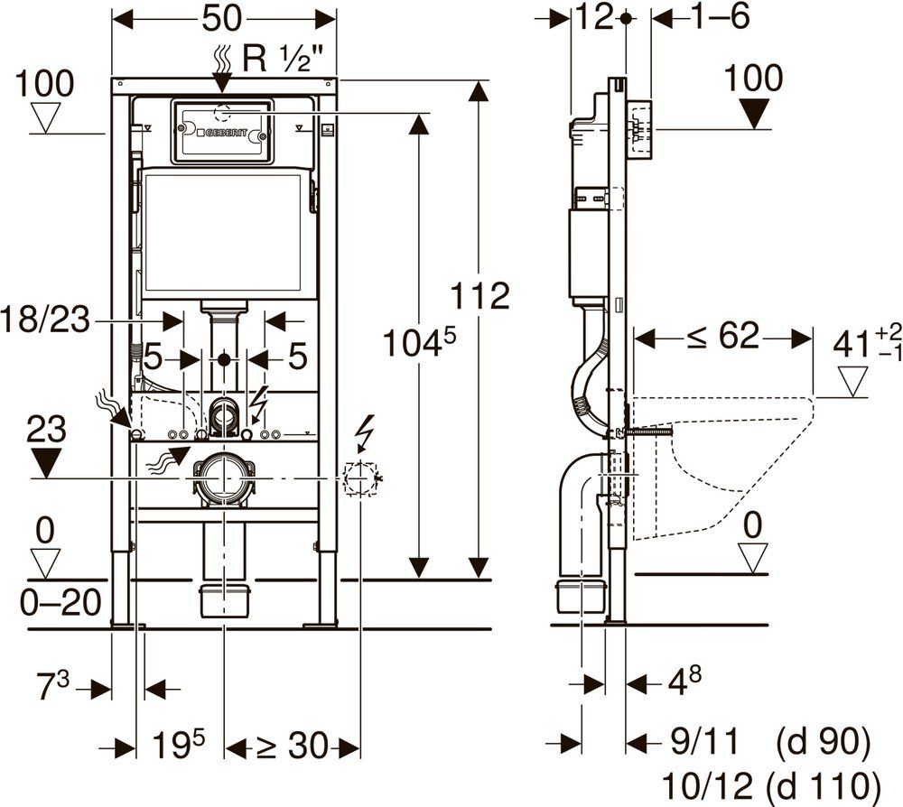
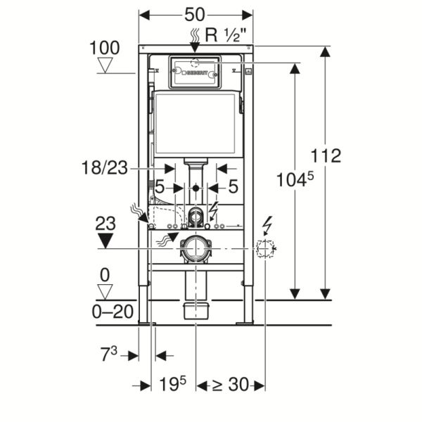
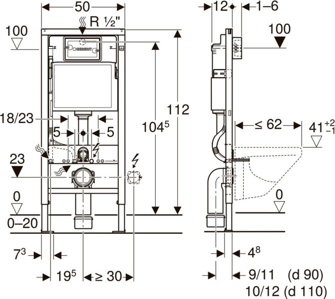
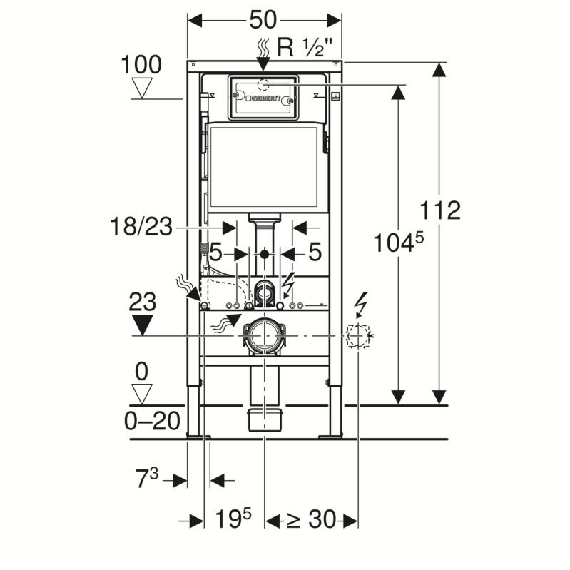
Система инсталляции для унитазов Geberit Duofix 458.128.21.1 оснащена трубкой подвода воды для подсоединения унитазов-биде Geberit AquaClean. Подходит для унитазов с размерами подключения согласно EN 33:2011 и с вылетом до 62 см. Смывной бачок скрытого монтажа с фронтальной установкой покрыт защищенной от конденсата оболочкой. Конструкция рамы готова для крепления скоб при установке нестандартного санфаянса. Монтаж соединительного колена может проводиться без использования инструментов.Возможность крепления для электропитания
Стойка оцинкованная с возможностью перемещения 0–20 см
Глубина пластиковых опорных площадок подходит для монтажа в U-образные профили UW 50
Крепится в капитальную стену и пол
Механическая кнопка смыва
Экономный слив предполагает две кнопки смыва – для полного и частичного слива бачка
Объем смывного бачка:
3 и 4.5
3 и 7.5
3 и 6
4 и 6
4 и 7.5 л
Подвод воды сверху / подвод воды сзади
Диаметр слива: 9 см
Монтажная глубина: 12 см
Монтажная высота: 112 см
Межосевое расстояние под крепеж. шпильки: 18 / 23 см
Оснащение: смывной бачок / кнопка смыва / звукоизолирующая прокладка
Гарантия: 10 лет
Швейцария

Характеристики
  • Монтаж:
    в стену
  • Страна:
    Швейцария che
  • Назначение:
    для унитаза
  • Высота, см:
    132
  • Ширина, см:
    50
  • Глубина, см:
    12
  • Цвет клавиши смыва:
    хром
Частые вопросы
  • У вас оригинальный товар?

    В нашем магазине представлен только оригинальный товар. Товары имеют сертификаты и гарантийное обслуживание. По первому требованию мы предоставим необходимую информацию.
    В нашем магазине представлен только оригинальный товар. Товары имеют сертификаты и гарантийное обслуживание. По первому требованию мы предоставим необходимую информацию.
  • Если сделаю заказ, через сколько привезут мой товар?

    Все зависит от статуса товара. Если товар "в наличии" в штатном режиме доставка по Москве занимает 1-2 дня. А вообще мы довольно гибкие, если вам требуются спец условия, согласуйте их по телефону с менеджером.

  • Как осуществляется доставка в регионы?

    Доставка в регионы осуществляется через транспортные компании. Как правило мы отправляем компанией "СДЭК" или "Деловые Линии". Однако вы можете выбрать любую другую компанию у которой имеется терминал в Москве. Так же мы обязательно заказываем страховку груза и обрешетку.

Отзывы
Отзывов пока нет
Написать отзыв
Имя*
Email
Введите комментарий*

Комплект Geberit Duofix 458.128.21.1 для подвесного унитаза, 112 см, со смывным бачком скрытого монтажа Delta 12 см, смывная клавиша Delta51 (хром) купить

проще, чем Вы думаете - просто позвоните по телефонам: +7(985)250-88-11 или +7(919)773-83-37 , а наши менеджеры с многолетним опытом проконсультируют Вас по всем вопросам на самом высоком уровне!
prodavec_gidro-butik
Артикул скопирован Код товара скопирован Промокод скопирован